北海市铁山港区交通标志标线整改工程(第二次)询价公告
发布时间:2022-03-04 11:12:42
北海市铁山港区交通标志标线整改
工程(第二次)询价公告
各有关供应商:
现以询价方式采购北海市铁山港区交通标志标线整改工程询价公告。请各供应商就以下采购项目内容进行书面报价,报价为含税全包价,包含提供相关服务的所有费用。
一、项目概况
本项目为北海市铁山港区交通标志标线整改工程。主要涉及整改的路段有LNG码头路段(十八号路段)、兴港镇营闸路葛麻山村路口、兴港路红花根路口、兴港路南乐社区路口、营闸路坡尾底村路段、营闸路粟山村路段、七号路与富屋小学路口等。
二、施工内容
(一)LNG码头路段(十八号路段)转弯处安装“急转弯”警示标志牌;
(二)兴港镇营闸路葛麻山村路口安装减速带及路口警示标志牌;
(三)兴港镇兴港路红花根路口安装“禁停”警示标志牌、减速带、修复中间绿化带(含更换路缘石、种植草皮、种植三角梅等);
(四)兴港镇兴港路南乐社区路口安装“减速慢行”警示标志牌、“车辆出入注意安全”警示标志牌、修复中间绿化带(含更换路缘石、种植草皮、种植三角梅等);
(五)兴港镇营闸路坡尾底村路段安装减速带;
(六)兴港镇营闸路粟山村路段安装减速带;
(七)七号路与富屋小学路口安装“车辆慢行注意行人”警示标志牌、减速带、修复中间绿化带(含更换路缘石、种植草皮、种植三角梅等)。
(注:具体施工内容及工程量详见附件,组织现场踏勘暂定时间为2022年3月17日上午10:00。)
三、资质要求
市政公用工程或公路工程施工相关资质
四、施工报价依据
(一)施工相关图纸;
(二)施工现场情况、该工程特点及常规施工方案;
(三)《建设工程工程量清单计价规范》(GB50500-2013)、《建设工程工程量清单计价规范(GB50500-2013)广西壮族自治区实施细则》、《建设工程工程量计算规范(GB50854~50862-2013)广西壮族自治区实施细则(修订本)》;
(四)2014年《广西壮族自治区市政工程消耗量定额》及配套费用定额;
(五)材料价格采用工程所在地工程造价管理机构2021年第12期《北海工程造价信息》发布的价格信息,对于工程信息没有发布价格信息的材料,价格参考南宁信息价或市场价。
五、最高限价
人民币73748元(大写:柒万叁仟柒佰肆拾捌元)。
六、书面报价文件要求
(一)书面报价文件经单位盖章和单位负责人或授权代表签字后装进信封进行密封,封套均应加贴封条并在封口处加盖单位公章;
(二)报价文件至少包含报价单位施工方案、报价及报价计算依据、计算式及优惠折扣等。
七、评分办法
(一)本次询价采用综合评估法:综合评估法的分值为100分,其中报价占60分,施工方案占40分。
(二)评定小组:评定小组由我公司在公司内部的“评定小组成员库”中随机抽取的3人及经办部门的2人共5人组成。
(三)评分方法:
1.报价评分:
报价分为无效报价、有效报价,评分计算公式如下:
某有效报价=(有效报价中最低报价/某有效报价)×60
2.施工方案评分:施工方案包含对项目的认识、理解、工作重难点及其解决措施、进度保障、质量保障、后续服务措施等方面的内容,评分分为三档:一档(0-10分)、二挡(10-25分)、三档(25-40分)。
(四)总分:总评分按我公司组建的评定小组各成员给各报价供应商打的平均分按从高至低顺序排名,排名第一的为评定中标候选人。两个及以上单位为同一得分的,由评定小组决定排名。
(五)评分监督:监督人1人,由我公司党总支委派。
八、报价文件存在以下情形的,其报价文件无效:
(一)报价超出最高限价的;
(二)报价文件未经投标单位盖章和单位负责人或授权代表签字的;
(三)报价文件和各类证书复印件模糊不清无法辨认的;
(四)报价文件对询价公告有关服务实质性内容未响应的;
(五)报价文件存在明显错误的;
(六)评定小组根据《中华人民共和国招标投标法》、《中华人民共和国招标投标法实施条例》等规定,认定报价文件存在串标、弄虚作假等行为的;
(七)评定小组认定存在围标、恶性竞争等其他违规行为的。
九、提交时间地点
2022年3月22日前提交报价材料(五份纸质报价材料,一张刻录有报价文件可编辑版和盖章扫描版的光盘),送到北海点点平台驻铁山港建设办(可导航至铁山港口岸联检楼,向海大道东50米)。
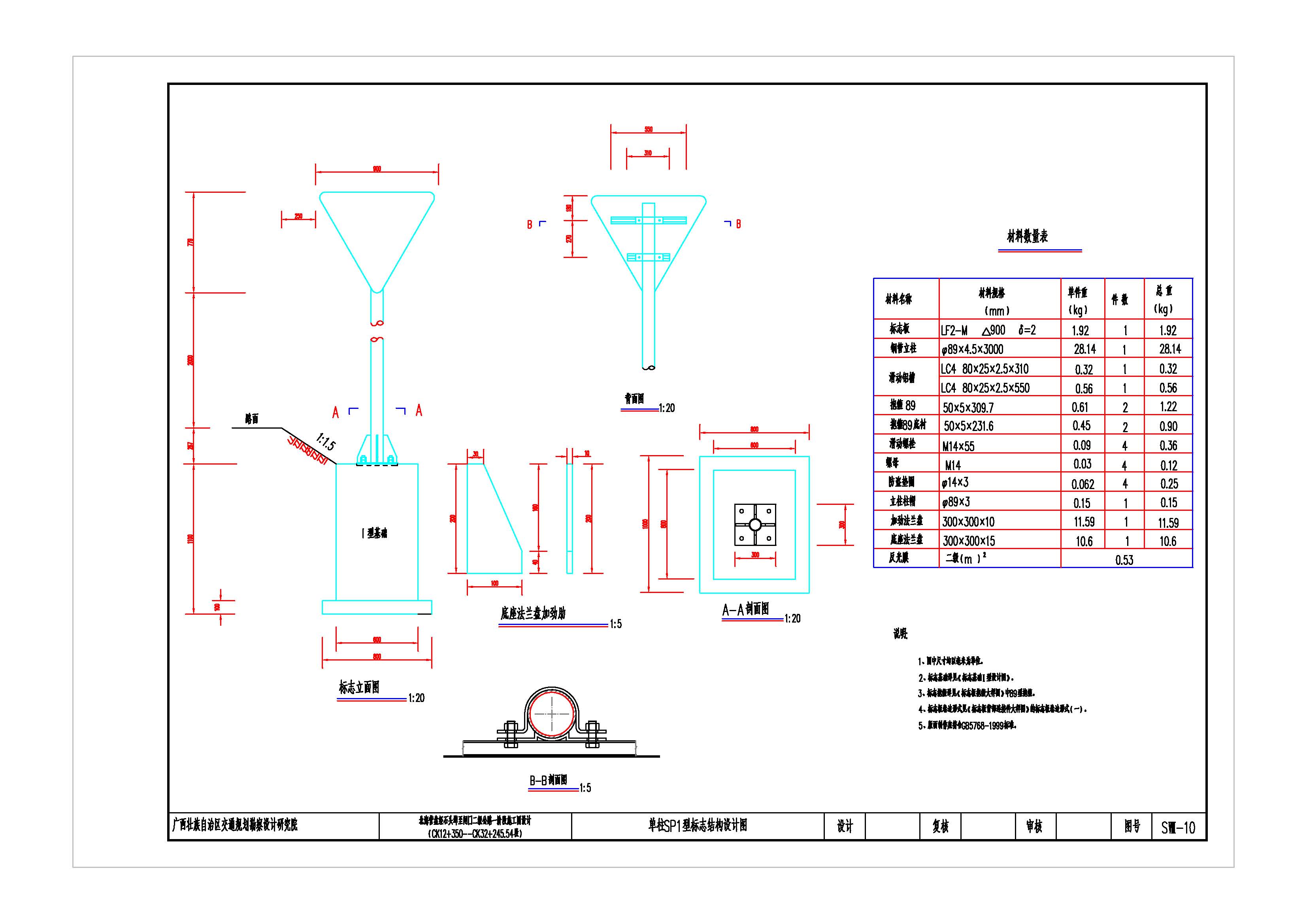
附件:1.交通标志标线示意图
2.标志标线设计图纸
点点平台
2022年3月3日
(联系人:赵工,联系电话:07798526871,18107790045)
附件:1.交通标志标线示意图
附件:2.标志标线设计图纸
